Description MODULE, IGNITION CONTROL (CDI) (NOT AVAILABLE)
Serial Range 1000001 - 9999999
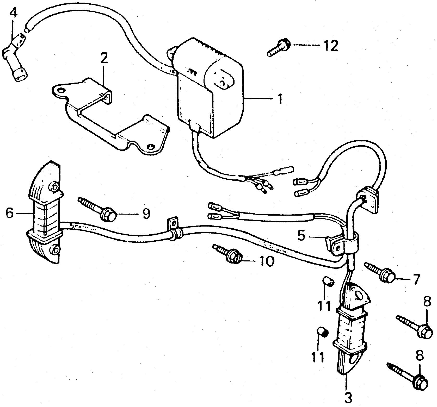
Ref No 2
Part Number 30586-889-730
Description STAY, IGNITION CONTROL MODULE (CDI)
Serial Range 1000001 - 9999999
Qty
Price $12.04
Ref No 3
Part Number 30590-889-731
Description COIL ASSY., EXCITER
Serial Range 1000001 - 1055468
Ref No 3
Part Number 30590-889-732
Description COIL ASSY., EXCITER (NOT AVAILABLE)
Serial Range 1055469 - 9999999
Ref No 4
Part Number 30700-890-000
Description CAP ASSY., NOISE SUPPRESSOR
Serial Range 1000001 - 1078889
Ref No 4
Part Number 30700-890-013
Description CAP ASSY., NOISE SUPPRESSOR
Serial Range 1078890 - 9999999
Ref No 5
Part Number 30702-890-000
Description CLAMP, IGNITION WIRE
Serial Range 1078890 - 9999999
Qty
Price $6.48
Ref No 7
Part Number 90013-883-000
Description BOLT, FLANGE (6X12) (CT200)
Serial Range 1000001 - 9999999
Ref No 8
Part Number 90015-883-000
Description BOLT, FLANGE (6X28) (CT200)
Serial Range 1000001 - 9999999
Qty
Price $3.52
Ref No 11
Part Number 94301-08140
Description PIN, DOWEL (8X14)
Serial Range 1000001 - 9999999
Qty
Price $2.74
Ref No 12
Part Number 95701-06012-08
Description BOLT, FLANGE (6X12)
Serial Range 1000001 - 9999999
Qty
Price $2.04
Item added to your cart
California Prop 65 Information
Internal Combustion Engine Products:
WARNING:
This product can expose you to chemicals including soots, tars, and mineral oils, which are known to the State of California to cause cancer,
and carbon monoxide, which is known to the State of California to cause birth defects or other reproductive harm. For more information go to
www.P65Warnings.ca.gov.
Miimo Robotic Mower
WARNING:
This product can expose you to chemicals including lead and lead compounds, which are known to the State of California to cause cancer and birth defects or other reproductive harm.
For more information go to
www.P65Warnings.ca.gov.