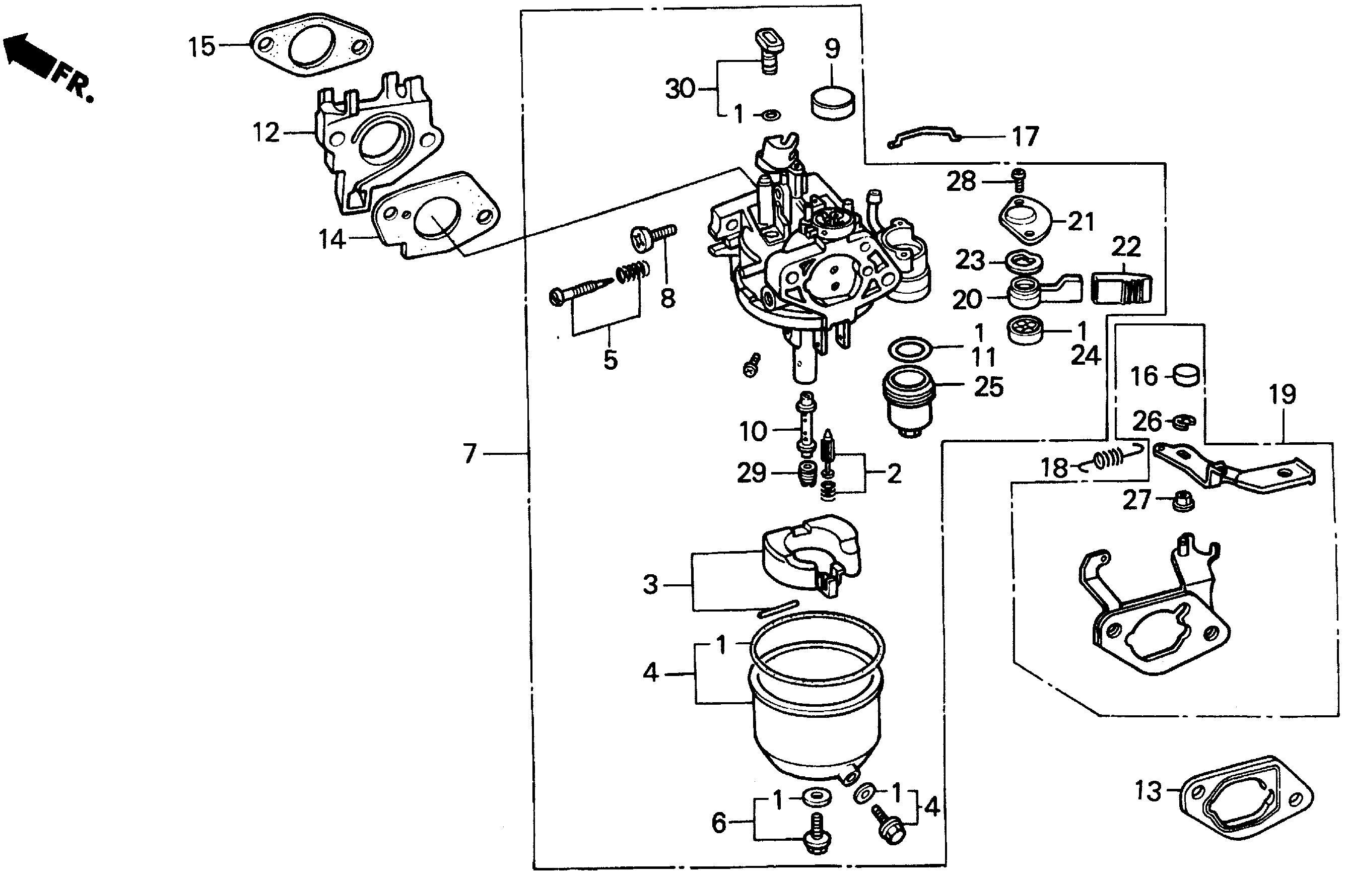
Snow Blowers HS HS80 HS80 WAS SA1-1000001-1100000 HS80 CARBURETOR - Dutchess Recreational Vehicles

Ref No
Part Number
Description
Serial Range
Qty
Price

Ref No
1
Part Number
16010-ZE2-811
Description
GASKET SET
Serial Range
1000001 - 9999999

Ref No
1
Part Number
16010-ZE2-812
Description
GASKET SET (INCLUDES 16173-001-004)
Serial Range
1000001 - 9999999

Ref No
2
Part Number
16011-ZA0-931
Description
VALVE SET, FLOAT
Serial Range
1000001 - 9999999
Qty
Price
$43.04

Ref No
3
Part Number
16013-ZA0-931
Description
FLOAT SET
Serial Range
1000001 - 9999999
Qty
Price
$21.88

Ref No
4
Part Number
16015-ZE8-005
Description
CHAMBER SET, FLOAT
Serial Range
1000001 - 9999999
Qty
Price
$43.52

Ref No
5
Part Number
16016-ZE0-005
Description
SCREW SET, PILOT
Serial Range
1000001 - 9999999
Qty
Price
$14.66

Ref No
6
Part Number
16028-ZE0-005
Description
SCREW SET
Serial Range
1000001 - 9999999

Ref No
6
Part Number
16028-ZK7-S91
Description
SCREW SET
Serial Range
1000001 - 9999999
Qty
Price
$13.14

Ref No
7
Part Number
16100-ZE2-H21
Description
CARBURETOR ASSY. (BE17A C)
Serial Range
1000001 - 1100276

Ref No
7
Part Number
16100-ZE2-H22
Description
CARBURETOR ASSY. (BE17A D)
Serial Range
1100277 - 1388430

Ref No
7
Part Number
16100-ZE2-H23
Description
CARBURETOR ASSY. (BE17A E)
Serial Range
1100277 - 9999999
Qty
Price
$120.15

Ref No
8
Part Number
16124-ZE0-005
Description
SCREW, THROTTLE STOP
Serial Range
1100277 - 9999999
Qty
Price
$17.88

Ref No
9
Part Number
16148-141-881
Description
CAP, CHOKE DUST
Serial Range
1100277 - 9999999
Qty
Price
$6.38

Ref No
10
Part Number
16166-ZE2-781
Description
NOZZLE, MAIN
Serial Range
1000001 - 9999999
Qty
Price
$33.40

Ref No
11
Part Number
16173-001-004
Description
O-RING
Serial Range
1000001 - 9999999

Ref No
12
Part Number
16211-ZE2-010
Description
INSULATOR, CARBURETOR
Serial Range
1000001 - 9999999
Qty
Price
$9.38

Ref No
13
Part Number
16220-ZA0-702
Description
SPACER, CARBURETOR
Serial Range
1095732 - 1160853

Ref No
14
Part Number
16221-ZA0-306
Description
GASKET, CARBURETOR
Serial Range
1160854 - 9999999

Ref No
14
Part Number
16221-ZA0-800
Description
GASKET, CARBURETOR
Serial Range
1160854 - 9999999

Ref No
15
Part Number
16223-ZA0-800
Description
GASKET, INSULATOR
Serial Range
1000001 - 9999999
Qty
Price
$2.48

Ref No
16
Part Number
16252-ZA1-000
Description
CAP, CHOKE LEVER
Serial Range
1000001 - 9999999

Ref No
16
Part Number
16252-ZA1-010
Description
CAP, CHOKE LEVER
Serial Range
1000001 - 9999999
Qty
Price
$1.68

Ref No
17
Part Number
16264-ZE2-780
Description
ROD, CHOKE
Serial Range
1000001 - 9999999
Qty
Price
$2.30

Ref No
18
Part Number
16268-893-000
Description
SPRING, CHOKE RETURN
Serial Range
1026412 - 9999999
Qty
Price
$3.90

Ref No
19
Part Number
16590-ZE2-780
Description
STAY ASSY., CHOKE CONTROL
Serial Range
1026412 - 9999999

Ref No
20
Part Number
16953-ZE1-711
Description
LEVER, PETCOCK
Serial Range
1026412 - 9999999
Qty
Price
$7.54

Ref No
21
Part Number
16954-ZE1-812
Description
PLATE, LEVER SETTING
Serial Range
1000001 - 9999999
Qty
Price
$4.16

Ref No
22
Part Number
16955-ZE2-H21
Description
CAP, LEVER
Serial Range
1000001 - 9999999
Qty
Price
$11.38

Ref No
23
Part Number
16956-ZE1-811
Description
SPRING, PETCOCK LEVER
Serial Range
1000001 - 9999999
Qty
Price
$4.16

Ref No
24
Part Number
16957-ZE1-811
Description
GASKET, PETCOCK
Serial Range
1000001 - 9999999

Ref No
24
Part Number
16957-ZE1-812
Description
GASKET, PETCOCK
Serial Range
1000001 - 9999999
Qty
Price
$4.12

Ref No
25
Part Number
16967-ZE0-811
Description
CUP, FUEL STRAINER
Serial Range
1000001 - 9999999
Qty
Price
$21.64

Ref No
26
Part Number
38689-680-960
Description
E-RING (4MM)
Serial Range
1000001 - 9999999
Qty
Price
$3.68

Ref No
27
Part Number
91502-ZA0-310
Description
BUSH, CHOKE LEVER
Serial Range
1000001 - 9999999
Qty
Price
$3.06

Ref No
28
Part Number
93500-03008-0H
Description
SCREW, PAN (3X8)
Serial Range
1000001 - 9999999
Qty
Price
$0.90

Ref No
29
Part Number
99101-124-0880
Description
JET, MAIN (#88)
Serial Range
1000001 - 9999999
Qty
Price
$11.60

Ref No
29
Part Number
99101-124-0900
Description
JET, MAIN (#90)
Serial Range
1000001 - 9999999
Qty
Price
$11.60

Ref No
29
Part Number
99101-124-0920
Description
JET, MAIN (#92)
Serial Range
1000001 - 9999999
Qty
Price
$11.60

Ref No
30
Part Number
99204-ZE2-0380
Description
JET SET, PILOT (#38)
Serial Range
1000001 - 9999999
Qty
Price
$22.50